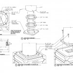
Designed & built in Portland, Oregon by Boothster with locally sourced ‘green’ materials; recycled fiber tubes, birch plywood, & bamboo banner material.
The backdrop breaks down to fit inside a small, easily transportable rolling crate also constructed with eco-friendly materials.










